++ Çö´ëÁ¾ÇÕ±â°è ++

¡¡

¡¡

¡¡
¡¡ ¡¡

   

¡¡

»õ ÆäÀÌÁö 1

¡¡

¡¡

¡¡
»õ ÆäÀÌÁö 1

¡¡

¡¡

¡¡

‣ HOME > À©Ä¡ > ¼öµ¿À©Ä¡

¡¡
¡¡
¡¡

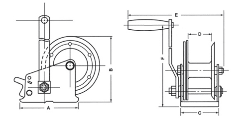
•Á¤È®µµ ³ôÀº ±â¾î ½Ã½ºÅÛÀ¸·Î Àú¼ÒÀ½ ½ÇÇö
•ºÎ½Ä¹æÁö ÄÚÆÃ
•°­·ÂÇÑ ¿­Ã³¸®·Î ±â¾î¾ÈÀü¼ºº¸Àå
•±¹³» ÃÖÃÊ ½ºÅÙ·¹½º ¼öµ¿À©Ä¡
•ºÎÇϽà ÀÚµ¿Àâ±Ý ºê·¹ÀÌÅ©ÀåÄ¡(BT-12S)

¡¡
¡¡
¡¡
¡¡
¡¡
¡¡
¡¡
¡¡
¡¡
¡¡
+Çö´ëÁ¾ÇÕ±â°è+

¼­¿ïƯº°½Ã ¼ÛÆÄ±¸ Ãæ¹Î·Î10(¹®Á¤µ¿628)°¡µçÆÄÀ̺ê TOOLµ¿ 4Ãþ 4-B47-48È£    Tel : 02-2277-3540, 02-2277-3508   Fax : 02-2277-3538  
E-mail : hdch0428@hanmail.net
»ç¾÷ÀÚµî·Ï¹øÈ£ : 104-03-51613, ´ëÇ¥ : ±è ±â Âù
copyright¨Ï 2015 HYUNDAE MACHINE CO. All rights reserved.