++ Çö´ëÁ¾ÇÕ±â°è ++

¡¡

¡¡

¡¡
¡¡ ¡¡

   

¡¡

»õ ÆäÀÌÁö 1

¡¡

¡¡

¡¡
»õ ÆäÀÌÁö 1

¡¡

¡¡

¡¡

‣ HOME > ¸®ÇÁÆ® > Àüµ¿Æ÷Å©¸®ÇÁÆ®

¡¡
¡¡
¡¡

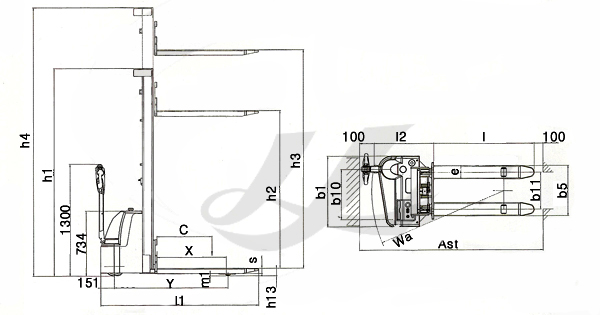
•À¯·´ Á÷¼öÀÔ ÆÄ¿ö ¸®ÇÁÆÃ ½Ã½ºÅÛ ÀåÂø
•°íÁ¤Æ÷Å©/°íÁ¤ÁöÁö´ë
•½ÉÇÃÇÑ µðÀÚÀÎÀÇ ¿ÏÀü Àüµ¿¹æ½Ä
•ÁÖÇà ¹× »ó,ÇÏ ³ôÀÌ Á¶ÀÛ
•¼Õ½¬¿î ÀÛµ¿ ¹× À̵¿
•¼ÕÀâÀÌ Ä£È¯°æ ¼ÒÀ縦 »ç¿ëÇÏ¿© ±×¸³°¨ ¿ì¼ö

¡¡
¡¡
¡¡
¡¡
¡¡
¡¡
¡¡
¡¡
¡¡
¡¡
+Çö´ëÁ¾ÇÕ±â°è+

¼­¿ïƯº°½Ã ¼ÛÆÄ±¸ Ãæ¹Î·Î10(¹®Á¤µ¿628)°¡µçÆÄÀ̺ê TOOLµ¿ 4Ãþ 4-B47-48È£    Tel : 02-2277-3540, 02-2277-3508   Fax : 02-2277-3538  
E-mail : hdch0428@hanmail.net
»ç¾÷ÀÚµî·Ï¹øÈ£ : 104-03-51613, ´ëÇ¥ : ±è ±â Âù
copyright¨Ï 2015 HYUNDAE MACHINE CO. All rights reserved.